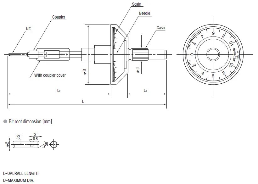
• For fine screws, micro-torque and general tightening applications.
• Inspection for micro-torque. • For inspection and measuring torque of motor axis. • Available for fine measurement with a torsion bar structure. • Suitable for inspection by loosening torque or retightening torque method. • Applicable to use in the EU region. Comply with calibration procedures of ISO6789 Type I Class D.