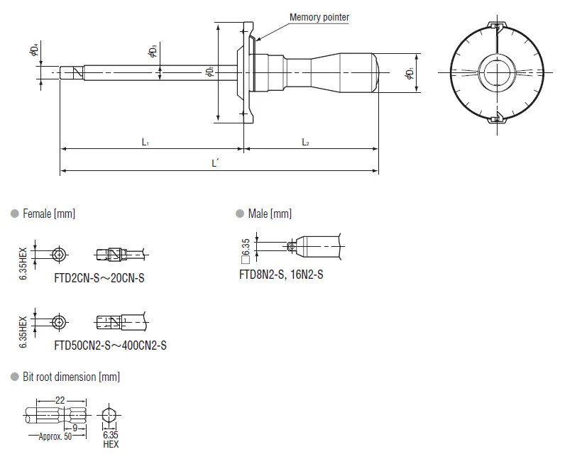
• Basic model of direct reading type torque driver. • Suitable for inspecting tightened screws. • Used for inspection by loosening torque and retightening torque methods. • Memory pointer shows the maximum torque applied. • T-bar is standard accessory for FTD8N2-S and 16N2-S. • Applicable to use in the EU region. Comply with calibration procedures of ISO6789 Type I Class D.