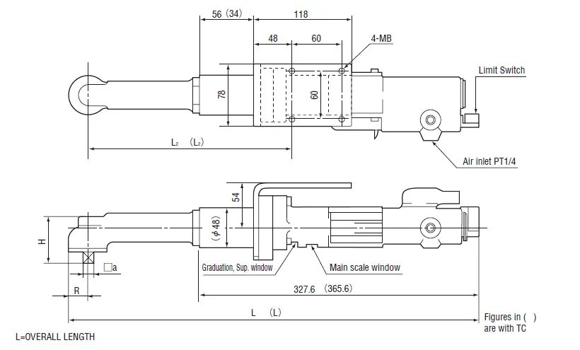
• Angle type of ME model. • Automatic torque converter enables the multiple unit stable and accurate tightening, high speed in provisional tightening and low speed for final tightening. • Fluctuation of the air pressure will not affect the accuracy and repeatability of the tool. • Easy to adjust torque value. • When tightening is completed, the square drive reverses automatically, so it is easy to replace the socket. • When the set torque reaches, the toggle mechanism operates instantly to stop the multiple unit. At the same time, the limit switch works to give signal that tightening is completed. • Monitoring of tightening torque is available by using a torque sensor.