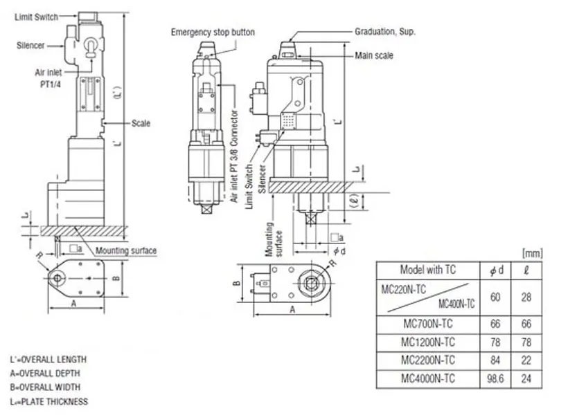
• For automatic tightening systems and multi-spindle nutrunners.
• Automatic torque converter enables the multiple unit stable and accurate tightening, high speed in provisional tightening and low speed for final tightening. • Fluctuation of the air pressure will not affect the accuracy and repeatability of the tool. • Easy to adjust torque value. • When tightening is completed, the square drive reverses automatically, so it is easy to replace the socket. • When the set torque reaches, the toggle mechanism operates instantly to stop the multiple unit. At the same time, the limit switch works to give signal that tightening is completed. •Monitoring of tightening torque is available by using a torque sensor.