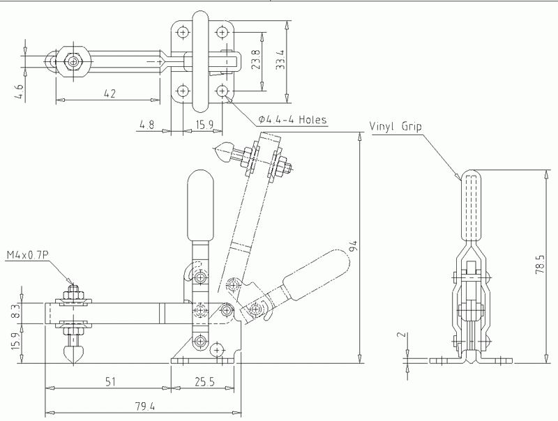
Extra long U-Bar is also available for particular application. Supplied with vinyl-coated hex-head spindle assemblies and two flanged washers. Red vinyl handle grip is provided.
Holding Capacity : 27 Kgs. Weight : 80 g. Handle Moves : 60° Bar Moves : 105°