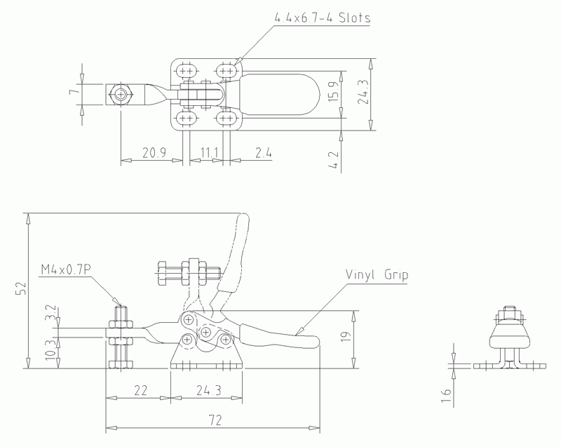
Ideal for lightweight materials and light work production or assembly operations. Supplied with nylon spindle but stainless steel models supplied with stainless steel spindle.
Holding Capacity : 27 Kgs. Weight : 27 g. Handle Moves : 70° Bar Moves : 90°