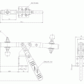
This U-Bar model has two flexible mounting areas, horizontal and vertical surfaces. Bar is cleared from work area when opened. Red embossed handle grip, two flanged washers and spindle assemblies are included.
Holding Capacity : 100 Kgs. Weight : 396 g. Handle Moves : 60° Bar Moves : 96°