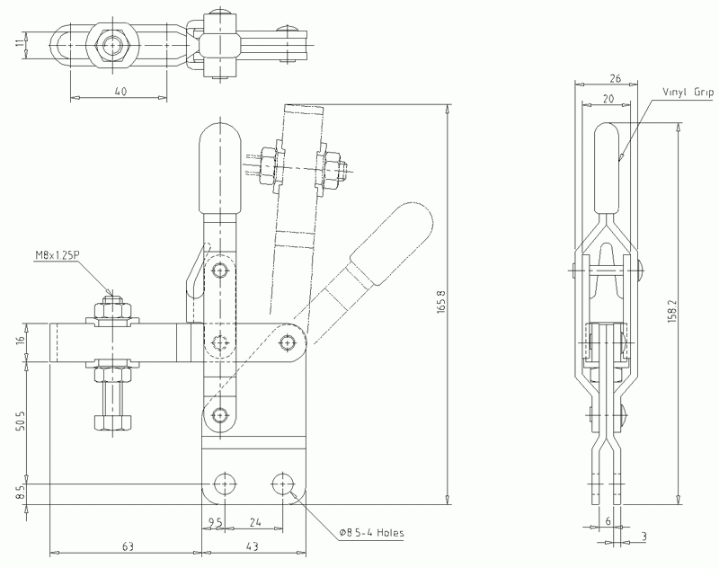
Similar to No. 42A except straight base. Hex spindle assemblies and two flanged washers are supplied with this straight base special hold down clamp. Equipped with red vinyl handle grip. Stainless steel also available, No. 42K-2S.
Holding Capacity : 150 Kgs. Weight : 390 g. Handle Moves : 45° Bar Moves : 94°