a
a
a
a
a
a
a
a
a
a
a
Tentang Kami
Produk
Artikel
Katalog
Kontak Kami
Brand
Tentang Kami
Produk
Artikel
Katalog
Kontak Kami
Brand
Produk
Home
Produk
WELDING
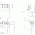
Toggle Clamps (Flush Mounted)
KAKUTA
FM 50
Category : WELDING
Brand : KAKUTA
Rp. 0
INQUIRY
Request Order
Hubungi kami sekarang juga untuk mendapatkan harga Produk menarik dari Kami. Team Marketing kami akan segera menghubungi anda
Name
Email
Telephone
Message
Keluar
Company URLs
PESAN SEKARANG :
Whatsapp : +62 812-8614-3374
Telp: 021-63992 (55-60)
Fax : 021-63992 (61-62)
atau
Application
Features
Specification
Link Download
Smallest Flush Mounted Action clamp has free handle, clamping can be made at free position. It is widely applicable and workable for push and pull action. Equipped with red vinyl grip.
Holding Capacity : 90 Kgs.
Weight : 103 g.
Plunger Travel : 19
Plunger Thread : M6X1.0
Loading Now
Please Wait
Nomor Invoice
Jumlah Yang Dibayarkan
Nama Pengirim
Email Pengirim
Tanggal Pembayaran
Nomor Rekening
Memo
Close
Dalam Keranjang Belanja Saya
~cart-data-2346_130~
Total Belanja
(
items ) :
LANJUT BELANJA
BAYAR