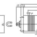
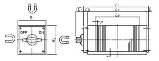
• These chucks have three attractive faces and can be used in combination with a magnetic chuck. They are suitable for determining angles of small workpieces and angle grinding.
• Since these chucks have three attractive faces, one face may be used for mounting the chuck and other faces for holding workpieces. • They have magnetic poles arranged at micro pitches to hold small workpieces. • They are of waterproof construction.